Introduction
Le chapitre sur le courant électrique permet d'aborder certaines généralités en électricité et d'acquérir le vocabulaire spécifique. Le courant électrique est utilisé dans beaucoup de domaines ( électrotechnique, électronique...) et dans la vie quotidienne (fonctionnement des équipements pour faire du monde un meilleur endroit pour vivre).
Dans ce premier chapitre du programme en électricité tu vas découvrir la notion de circuit, de conducteur, d'isolant, reconnaitre les effets, le sens du courant électrique et étudier les lois fondamentales auxquelles obéissent certaines grandeurs électriques (intensité, tension,...).
Les acquis tirés du chapitre peuvent te servir dans d'autres domaines :
ancrage interdisciplinaire : (technologie)
application dans la vie : précautions pour protéger les personnes et les appareils, consignes de sécurité liées au courant électrique etc.
A la fin de cette séquence, tu seras capable:
de réaliser un circuit électrique,
de schématiser un circuit électrique,
de distinguer expérimentalement un conducteur d’un isolant,
de reconnaitre les effets du courant électrique (dans divers appareils),
d'indiquer le sens conventionnel du courant électrique,
d'utiliser les lois du courant électrique et des tensions,
de prendre les précautions pour protéger les personnes et les appareils,
d'appliquer et de faire appliquer les consignes de sécurité liées au courant électrique.
Circuit électrique⚓
Attention : Mise en situation
Pour éclairer on peut monter un circuit avec une lampe électrique et le faire fonctionner.
Comment réaliser ce circuit électrique ?
Exemple : Circuit électrique simple
Pour réaliser ce circuit électrique on fait une boucle avec la lampe, l'interrupteur et le générateur en les reliant les un aux autres avec les fils sans interruption.
Lorsque l’interrupteur est fermé la lampe s’allume.
Lorsqu’il est ouvert la lampe ne s’allume pas. Elle ne s’allume pas aussi si le générateur est retiré.
Définition :
Un circuit électrique est une chaine continue de dipôles reliés par des fils de connexion comprenant au moins un générateur.
Nota Bene : Les composants d’un circuit électrique simple
Un circuit électrique simple comprend :
un générateur qui fournit le courant électrique (pile, batterie . . .),
un récepteur qui utilise le courant électrique pour fonctionner (lampe, moteur . . .),
des fils de connexion qui relient les différents dipôles du circuit électrique,
un interrupteur qui permet de fermer ou d’ouvrir le circuit électrique.
Complément : Circuit en série
Un circuit en série est formé par une seule boucle. Le courant électrique est partout le même.

Complément : Circuit en parallèle
Un circuit en dérivation (ou en parallèle) est formé par plusieurs boucles indépendantes qui contiennent toutes le générateur.
Le courant électrique se partage entre les différentes branches.

Nota Bene :
On appelle dipôle électrique un appareil électrique avec deux bornes de branchement.
On appelle nœud le point de rencontre de trois fils de connexion au moins dans un circuit en dérivation.
Les bornes du générateur ne sont pas identiques ; on utilise deux notations pour les distinguer. La borne du générateur portant le signe négatif (-) est appelée borne négative et la borne du générateur portant le signe positif (+) est appelée borne positive.
Exercice d'aplication 1
Exercice d'aplication 2
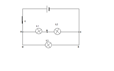
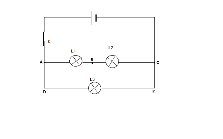
Complément : Schématisation d’un circuit électrique
Pour la simplicité et pour la compréhension, les dipôles sont représentés par des symboles normalisés.
On peut réaliser un circuit électrique à partir de son schéma.
Nota Bene : Symboles normalisés
Dans la représentation d'un circuit électrique chaque élément est représenté par un symbole normalisé.

Exemple :

On représente le circuit électrique du montage ci-contre par le schéma ci-dessous. Chaque élément est représenté par son symbole normalisé.

Exercice d'aplication
Conducteur et isolant électriques⚓
Définition :
Un conducteur électrique est une substance qui laisse passer le courant électrique.
Un isolant électrique est une substance qui ne laisse pas passer le courant électrique.
Exemple :
Les métaux, le graphique et les électrolytes conduisent le courant électrique : ce sont des conducteurs.
Les substances qui ne conduisent pas le courant sont des isolants électriques (air, bois, plastique, huile etc.)
Les effets et le sens du courant électrique⚓
Définition :
Le courant électrique est invisible mais sa circulation dans les conducteurs se manifeste par des effets .
Nota Bene : Effets du courant électrique
Il existe différents types d'effet du courant électrique. Le courant électrique provoque :
un échauffement des conducteurs (effet thermique),
une émission de lumière dans les lampes électriques (effet lumineux),
une aimantation du milieu qui entoure les conducteurs (effet magnétique),
des transformations chimiques en passant dans un électrolyte (effet chimique)
Exercice d'aplication
Nota Bene : Sens conventionnel du courant électrique
En circulant le courant suit un sens de parcours. certains effets du courant dépendent de ce sens. Ce sens est imposé par le générateur pour le reste du circuit.
Par convention le courant sort du générateur par la borne positive (+) et y entre par la borne négative (-).

Intensité du courant électrique⚓
Définition :
L’intensité du courant électrique est la grandeur physique mesurée à l’aide d’un appareil appelé ampèremètre et qui s’exprime en ampères (A)
Complément : Utilisation des ampèremètres
Un ampèremètre se branche toujours en série. Il permet de déterminer la valeur de l’intensité du courant électrique qui le traverse.

Méthode :
Pour bien utiliser un ampèremètre il faut faire deux mesures :
une première mesure avec le plus grand calibre pour avoir l’ordre de grandeur de la valeur,
une deuxième mesure avec le calibre le mieux adapté pour avoir la plus grande précision.
L’ampèremètre à aiguille permet de déterminer la valeur de l’intensité I du courant électrique qui se calcule avec la formule I = L.\(\frac{C}{D}\) où :
L est le nombre de divisions lu ;
C est le calibre utilisé ;
D est le nombre total de divisions.
La valeur de l’intensité s’obtient par simple lecture avec un multimètre.
Complément : Lois de l’intensité du courant électrique
Loi d’unicité
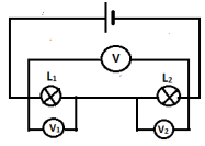
Le courant électrique est une circulation d’électricité. L’électricité ne s’accumule pas en aucun point. L’intensité est partout la même en tout point d’un circuit en série: c’est la loi d’unicité. I1 = I2 = I3

La loi des nœuds ou loi d’additivité
Dans un circuit en dérivation le courant électrique dans la branche principale se répartit dans toutes les branches dérivées et les courants dérivés à un nœud se retrouvent pour donner le courant principal. Il n’y a pas d’accumulation d’électricité au niveau des nœuds. C’est la loi des nœuds ou loi d’additivité des intensités des courants. I = I1 + I2
Exercice d'application 1
Exercice d'application 2
Exercice d'application 3
Tension électrique⚓
Définition :
La grandeur physique qui caractérise la différence d’état électrique entre deux points est appelée tension électrique. Elle se mesure à l’aide d’un appareil appelé voltmètre et elle s’exprime en volt (V)
Complément : Utilisation des voltmètres
Pour mesurer la tension électrique aux bornes d’un dipôle, on branche toujours le voltmètre en dérivation aux bornes du dipôle. Le voltmètre à aiguille a le même principe de fonctionnement que l’ampèremètre à aiguille. Le voltmètre est un appareil polarisé. Il permet de déterminer la valeur de la tension entre deux bornes ou entre deux points.
Le calibre le plus élevé permet de connaitre l’ordre de grandeur et le calibre adapté donne la meilleure précision.

Complément : Lois de la tension électrique
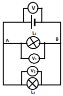
Loi d’additivité des tensions.
La tension aux bornes d’un ensemble de dipôles branchés en série est égale à la somme des tensions aux bornes de chaque dipôle : c’est la loi d’additivité des tensions.
U = U1 + U2

Loi d’unicité de la tension
La tension est la même aux bornes des dipôles branchés en dérivation. C’est la tension entre les points (nœuds) de la dérivation et entre les bornes du générateur: c’est la loi d’unicité de la tension. UG = U1 = U2

Attention : Les dangers du courant et la sécurité électrique
Les dangers du courant : La surtension, la surcharge des prises ou le court-circuit entraine une surintensité qui échauffe les conducteurs et peut provoquer des incendies ou même des détériorations des installations ou des appareils. Le passage du courant électrique dans le corps humain peut entrainer des brûlures, de l’asphyxie et même la mort. C’est l’électrocution.
La sécurité électrique : On peut éviter les risques d’électrocution et d’incendie avec quelques règles simples de sécurité. On peut citer entre autres comme règles:
ne jamais faire des réparations électriques sans avoir coupé le courant électrique au disjoncteur,
ne pas s’amuser avec les prises,
ne jamais toucher un électrocuté avec les mains,
éviter de surcharger les prises,
éviter de court-circuiter les dipôles etc.
